PR message
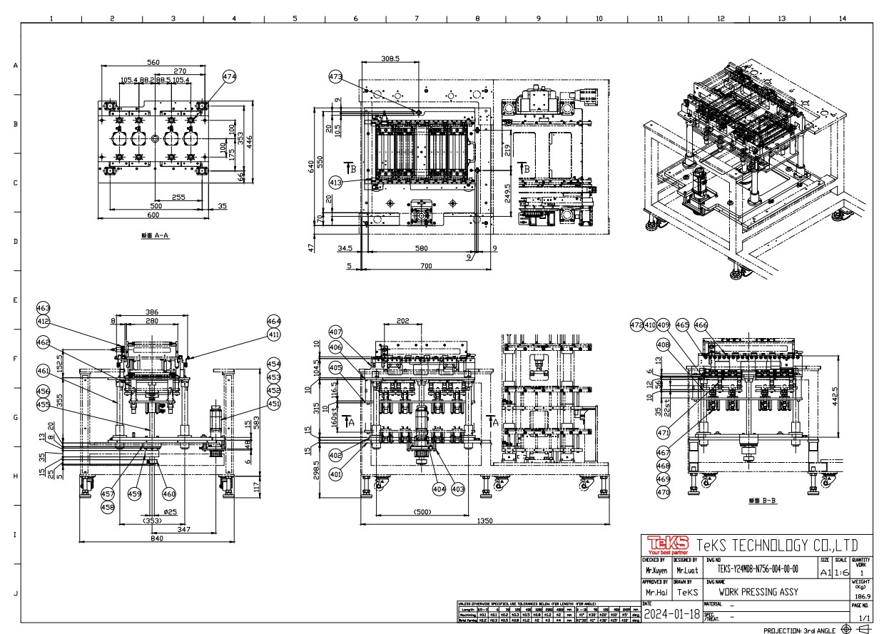
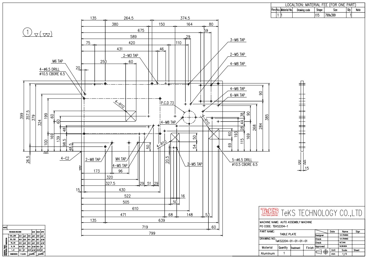
TeKS Technology Co., Ltd. is a joint venture between TEMAS Engineering (Vietnam) and KINTETSU ENGINEERING (Japan), established in 2018. We provide professional mechanical design solutions for manufacturing and industrial sectors.
Fields of operation:
➤ Mechanical drawing design according to JIS and ISO standards
➤ Improvement design and concept development for conveyors, automation machines, and production lines
➤ Clients mainly from the Japanese market
Assembly specifications and part positioning are presented in accordance with JIS and ISO standards.
We create 3D models from images, PDF files, and 2D drawings using 3D CAD software such as Inventor and SolidWorks.
From the provided data, we perform force analysis on components to optimize their geometry.
Using the machine's operating mechanism, we perform simulations to optimize movement, control travel distance, and reduce operation time.
We transform customer requirements into feasible concepts, ensuring a balance of cost, quality, and delivery schedule.
Based on the customer's existing production line, we provide consulting solutions to improve the system, enhance efficiency, and optimize costs.
| Company name | TeKS Technology Co.,Ltd. | Website URL | https://www.teks.vn |
|---|---|---|---|
| Street address |
Ha Noi Ha Noi Socialist Republic of Vietnam
[See map] |
Person in charge | NGUYEN THANH HAI |
| Telephone number | +84-2473001289 | Fax number | 0 |
| Capital | 180,000 $ | Employees | 30 |
| Annual sales | EMIDAS Member Number | 99001 | |
| Main 3 products |
|
||

TeKS Technology Co.,Ltd.
